所屬科目:專科學力鑑定◆專(一):機電整合(實習)
6. 如圖(一)所示,有關電壓隨耦器( voltage follower)的敘述,下列何者錯誤? (A) 非反相放大器的一種特例 (B) 其增益值為1 (C) 高輸入阻抗、低輸出阻抗 (D) 應用於電壓放大
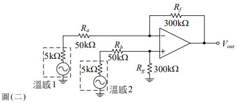
7. 有一個減法放大器如圖 ( 二 ) 所示,用來放大兩個溫度感測器電壓的差值,此兩個感測器有內阻為5 kΩ,且此兩感測器電壓最大差值為3V時,求其輸出電壓為何? (A) 18V (B) 16V (C) 14V (D) 12V
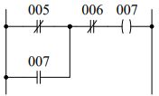
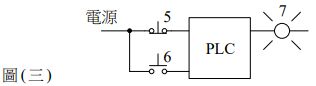
8. 如圖 ( 三 ) 所示,已知在可程式邏輯控制器 PLC 上,當常閉開關 5 壓下,連接在輸出 7 處的燈會亮,當常開開關6壓下時,連接在輸出7處的燈會熄,則繪出PLC的階梯圖為何? (A)(B)(C)(D)
9. 如圖 ( 四 ) ( a ) 偏壓負載電路中,使用一個具有 β 為 100 的功率電晶體,其輸入電壓電流特性曲線如圖(四)( b )所示,求此時電晶體的集極電流為何?(A) 50mA (B) 100mA (C) 150mA (D) 200mA
10. 有一MOSFET的特性曲線如圖(五)所示,求其轉導(transconductance )增益值為何?(A) 0.5mho (B) 1.0mho (C) 1.5mho (D) 2.0mho
14. 用來推動容器蓋子的槓桿如圖(六)所示,而推動蓋子需要施予把手10 lb的力量(F1),且整個槓桿的長度為18 in,從F2到支點的距離為3 in,求施在F2的力量大小為何? (A) 20 lb (B) 30 lb (C) 40 lb (D) 50 lb
28. 圖(七)為控制消防水泵Y0的啟動,X0和X1分別為啟動與停止按鈕,下列何者錯誤?(A) 同時按下X0和X1,則以X0為優先 (B) 鬆開X0,則Y0正常啟動,此時按下X1,Y0仍為啟動 (C) 當按下X0,無論X1是否按下,Y0啟動 (D) 此為啟動優先控制程序
30. 考慮一螺線管的長度為 25 cm,均勻纏繞 300 匝,其中螺線管中空部分為空氣,截面積為4 cm2,真空導磁係數為(T.m/A),求其電感值為何? (A) 0.181mH (B) 0.362mH (C) 0.571mH (D) 0.864mH
31. 如圖(八)所示,求流經9Ω 電阻之電流值為何? (A) 1.8A (B) 1.5A (C) 1.2A (D) 1A
32. 圖(九)為RC高通濾波器,其R=1 kΩ、C=1mF,求截止頻率(Hz)為何?(A)(B)(C)(D)
33. 如圖(十)所示為單相全波相位控制整流器,輸入交流電源=110sin(120πt)V,觸發角 (或延遲角)為60o,負載為RL串聯,假設閘流體為理想元件特性,L使負載電流io中沒有載波成分,R為50Ω,求輸出電壓的平均值為何?(A) 35.01V (B) 66.87V (C) 123.22V (D) 264.18V
34. 如圖(十一)電路圖所示,求輸出函數f為何?(A)A+B(B)A●B(C)(D)
35. 如圖(十二)為減法器電路圖,求Vo輸出電壓為何?(A) – 6V (B) – 8V (C) – 10V (D) – 12V
36. 圖(十三)中電路之約為7V,求流經3.2kΩ 電阻的電流為何?(A) 1.562mA (B) 0.384mA (C) 2.916mA (D) 4.446mA
37. 圖(十四)為單相相位控制轉換器( converter),若觸發角(或延遲角)為90°,求輸出電壓Vo的平均值為何? (A) 15.92V (B) 0V (C) 7.96V (D) 31.84V
39. 圖(十五)為兩不等質量的物體跨過一無摩擦力的阿特午機(Atwood machine),質量m1和m2的物體分別對應到加速度a1和a2,重力加速度為g,求兩物體的加速度(m/s2)為何?(A) g× (m2 –m1)/(m2+m1) (B) g× (m2–m1) × (m2+m1) (C) g× (m1 –m2)/(m2+m1) (D) g× (m2+m1)/(m2+m1)
40. 圖(十六)為輪軸型的圓柱機械系統,圓柱可繞著中心軸自由轉動,T1=6.0N、R1=1.0m、 T2=6.0N、R2=0.6m,下列敘述何者正確?(A) 輪軸從靜止開始會順時鐘方向轉動,淨力矩為2.4N‧m (B) 輪軸從靜止開始會順時鐘方向轉動,淨力矩為8.0N‧m (C) 輪軸從靜止開始會逆時鐘方向轉動,淨力矩為2.4N‧m (D) 輪軸從靜止開始會逆時鐘方向轉動,淨力矩為8.0N‧m
42. 實際為0到50℃的溫度值,當使用8位元ADC(Analog to digital converter)時,求其解析度(℃/位元)為何?(A) 0.326 (B) 0.223 (C) 0.195 (D) 0.097
47. 如圖(十七)所示,表示氣壓缸構造的緩衝機構,下列敘述何者正確?(A) 雙動氣缸,單側緩衝 (B) 單動氣缸,單側緩衝 (C) 雙動氣缸,雙側緩衝 (D) 單動氣缸,雙側緩衝
49. 控制系統補償器如圖(十八)所示,為何種補償器及其轉移函數為何?(A) 領先補償器,(R2+1 /SC)/(R1+R2+1/SC) (B) 落後補償器,(R1+1 /SC)/(R2+1/SC) (C) 領先補償器,( 1 /R1+SC)/( 1/R1+1/R2+SC) (D) 落後補償器,(SC+R2 )/(R1+R2+SC)