所屬科目:專科學力鑑定◆專(一):機電整合(實習)
3. 如圖(一)為哪一種邏輯符號? (A) OR (B) AND (C) NAND (D) NOR
5. 如圖(二)為印刷電路板的佈線,編號123為正面,編號RST為反面,黑點為正反面焊點 相通,下列哪一種說法錯誤? (A) 當S通電時,1與2不通 (B) 當S通電時,1與3通 (C) 當T通電時,2與3不通 (D) 當R通電時,2與3通
6. 如圖(三)所示之繼電器電路,當MC1與MC2 OFF時,若依序押下啟動按鈕PB2與PB1時, 則: (A) MC1不動作,MC2動作 (B) MC1動作,MC2不動作 (C) MC1與MC2均不動作 (D) MC1或MC2均動作
9. 如圖(四)所示,下列敘述何者正確? (A) 電路之正回授因數 β=R1 /(R1+R2 )(B) Vo波形之週期和R成反比 (C) 此電路為正弦波產生器 (D) Vo波形之週期和C成反比
10. 如圖(五)所示之電路,若電晶體Q1與Q2完全相同,則此電路輸出的週期約為? (A) 0.7RC (B) 1.4RC (C) 2RC (D) 2πRC
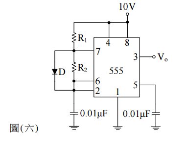
12. 如圖(六)所示之電路,D為理想二極體,在電路能正常工作下,若R1=1.5R2,則工作週期 約為何? (A) 40% (B) 50% (C) 60% (D) 70%
13. 如圖(七)所示之運算放大器電路,其輸出波形Vo為下列何者? (A) (B) (C) (D)
14. 如圖 ( 八 ) 所示之理想運算放大器,其電源電壓為± 15V,若 R12= 4 R11,當 V1=-1.9 V 時,求Vo處的電壓,下列何者較為正確?(A) +15V (B) -15V (C) +15.2V (D) -15.2V
21. 如圖(九)所示,採用連桿和兩支氣壓或油壓缸構成的上端點行程運動機構有幾個位置? (A) 2 (B) 3 (C) 4 (D) 5
34. 如圖(十)所示,有一弛緩振盪器電路,其中UJT的本質解離比(Intrinsic Stand - off Ratio ) 為0.75,且R1=100 kΩ,C1=0.5μF,求此振盪器電路的振盪頻率為: (A) 9.62Hz(B) 28.86Hz (C) 18.60Hz (D) 14.43Hz
37. 如圖 ( 十一 ) 所示,有一收音機頻率調整鈕,以齒輪齩合比 4:1來調整頻率,若調整鈕 轉動50度,試問收音機將旋轉幾度? (A) 23.5 度 (B) 25 度 (C) 12.5 度 (D) 15 度
39. 有一個風箱差動壓力感測器兩邊壓力分別是6 psi(錶壓力)和17.2 psi(絕對壓力),感測器 所測得壓力為何?(假設在海平面上,環境壓力等於大氣壓力為14.7psi) (A) 3.5lb/in2 (B) 16.2lb/in2 (C) 19.7lb/in2 (D) 14.7lb/in2