所屬科目:專科學力鑑定◆專(一):機電整合(實習)
3. 如圖(一)所示,一非反相放大器的 R1 = 1.2 k Ω、= 8.2 k Ω,當輸入電壓為 3 V時,求輸出電壓為何? (A) 12.6V (B) 15.6V (C) 23.5V (D) 29.8V
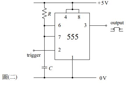
9. 計算由10 kHz時鐘觸發單穩態多諧振盪器,所得的正脈衝訊號的寬度?如圖(二),其中 R=2 kΩ,C=0.001μF。 (A) 1.1微秒 (B) 2.2微秒 (C) 3.3微秒 (D) 4.4微秒
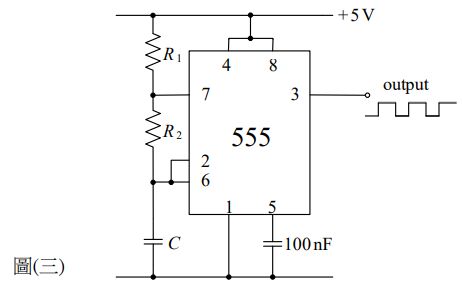
10. 某一非穩態電路如圖(三),其R1=4.3 kΩ、R2=5.6kΩ 及C=0.002μF,則其頻率為何? (A) 46.55 kHz (B) 58.18 kHz (C) 69.82 kHz (D) 81.46 kHz
15. 如圖(四)所示,為下列哪一種閘流體元件的符號? (A) SCR (B) TRIAC (C) UJT (D) PUT
17. 有一PUT弛緩振盪器如圖(五)所示,則其( a )本質解離比 η( b )波形週期T為何? (A) η 為0.15,T為0.031 s (B) η 為0.22,T為0.061 s (C) η 為0.33,T為0.081 s (D) η 為0.52,T為0.092 s
21. 在可程式控制器PLC中,階梯邏輯圖完成機器的啟動與停止的操作,如圖 (六)所示, 其功能敘述下列何者錯誤? (A) 當常開開關X1被按下時,馬達激勵線圈Y0啟動,馬達運轉 (B) 當常閉開關X2被按下時,馬達激勵線圈Y0消磁,馬達停止轉動 (C) 當常開開關X1被按下時,同時也將常開開關Y1閉合,此時馬達保持運轉 (D) 當馬達保持運轉時,可以按下常開開關Y1,讓線路斷開,馬達停止轉動
26. 使用示波器量得一波形的週期為sec,則頻率多少? (A) 20 kHz (B) 200 kHz (C) 2MHz (D) 20MHz
31. 如圖(七)所示,為有效值110V的交流電壓,在無負載情況下,輸出電壓Vo近似為何? (A) 100V (B) 141V (C) 282V (D) 311V
36. 如圖(八)所示,若已知電晶體放大電路為PNP共基極CB組態,則信號輸入與輸出相位關係為何? (A) 接近180 ° (B) 相差180 ° (C) 相同 (D) 大於180 °
37. 如圖(九)所示,使電晶體處於飽和狀態 ~0的最小約為多少?(設電晶體的 β參數=150) (A) 30μA (B) 40μA (C) 50μA (D) 60μA
40. 如圖(十)OPA放大器,若R1=10kΩ,=30 k,輸入電壓V1= –2V,輸出電壓Vo為何? (A) 2V (B) 4V (C) 6V (D) 8V
41. 如圖(十一)之非反相放大器,若欲得電壓增益為12,且R1=3 kΩ,則之值為何? (A) 18 kΩ (B) 24 kΩ (C) 30 kΩ (D) 33 kΩ
42. 如圖(十二)邏輯組合所示,相當於何種邏輯閘的效果? (A) AND (B) OR (C) NOR (D) NAND
43. 1Ω 及2Ω 之兩電阻,其額定功率均為0.5W,串聯後最大能加多少伏特,使其不超過額定功率? (A) 1.5V (B) 0.5V (C) 1V (D) 3V
44. 如圖(十三)所示,當A1與A4之接點關閉時,下列敘述何者正確? (A) GL2較亮,GL1、GL3、GL4微亮 (B) GL1、GL2亮,GL3、GL4微亮 (C) GL1、GL2、GL3、GL4亮度相同 (D) GL1較亮,GL2、GL3、GL4不亮
46. 圖(十四)符號為何? (A) 按鈕開關a接點 (B) 按鈕開關b接點 (C) 電磁開關a接點 (D) 電磁開關b接點
48. 如圖(十五)所示,氣壓閥的功能意義為何? (A) 3口1位閥 (B) 4口2位閥 (C) 5口2位閥 (D) 6口2位閥