所屬科目:台電◆工程力學概要
2. 如下圖所示,螺絲受兩力 F1 及 F2 作用,求合力值及合力角度 ϕ 分別為何? (ϕ 以 X 軸為 0° ,逆時針方向為+) (A)、60° (B)、-60° (C) 100 N、60° (D) 100 N、-60°
3. 如下圖所示,物體 W=100 kgf,於平衡狀態下,求繩索 AC 之拉力為何? (g=9.81),計算至小數點後第 3 位,以下四捨五入) (A) 1.699 kN (B) 1.865 kN (C) 3.398 kN (D) 3.730 kN
5. 如下圖所示之簡支梁,求最大彎曲應力為何? (A) (B) (C) (D)
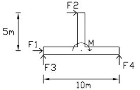
6. 如下圖所示之受力結構系統,已知為靜止狀態,且F1=50kN,F3=50kN ,則F2、F4 及 M 分別為何? (方向定義:↑ 、 → 及 ↻ 為+) (A)F2=50kN、F4=-50kN、M=-250kN•m (B)F2=-50kN、F4=-50kN、M=-250kN•m (C)F2=50kN、F4=-50kN、M=750kN•m (D)F2=-50kN、F4=-50kN、M=750kN•m
8. 如下圖所示之均質斷面,其形心坐標為何? (計算至小數點後第 2 位,以下四捨五入) (A) ( 15 , 12.00 ) (B) ( 15 , 11.43 ) (C) ( 15 , 10.17 ) (D) ( 15 , 9.62 )
9. 如下圖所示之均勻桿件,彈性模數均為 E,斷面積比段: 段:段=1:2:1 ,若 段之斷面積為 A,求受力後 C、D 兩點之相對位移量為何? (A)(相互遠離) (B)(相互靠近) (C)(相互遠離) (D)(相互靠近)
10. 如下圖所示之空心圓鐵管,上下斷面承受均勻壓力時,依蒲松比(Poisson’s Ratio)的定義, 其內、外直徑之變化為何? (A)內直徑變小、外直徑變小 (B)內直徑變小、外直徑變大 (C)內直徑變大、外直徑變小 (D)內直徑變大、外直徑變大
11. 如下圖所示之桁架,求桿件 CE 之軸力為何? (A) 6 kN (壓力) (B) 6 kN (拉力) (C) 8 kN (壓力) (D) 8 kN (拉力)
12. 如下圖所示之桁架,受外力 P 作用,其內力為零的桿件共有幾根? (A) 5 (B) 4 (C) 3 (D) 0
14. 有關「軸力應變能」之表示方式,下列何者有誤?(P:軸力,δ:桿件軸向變形量,E:材料 之彈性模數,A:桿件斷面積,L:桿件長度) (A)(B) (C) (D)
15. 如下圖所示,若簡支梁受一順時針方向之彎矩M,其剪力圖 型式下列何者正確? (A) (B) (C) (D)
16. 如下圖所示,若 A 物體與 B 物體之間為完全光滑,B 物體與地面之摩擦係數為 0.3,若欲拉動 B 物體,則 P 力至少應為何? (A) 80 N (B) 60 N (C) 50 N (D) 40 N
17. 如下圖所示,桿件 B 斷面積為 12cm2,桿件 C 斷面積為 8cm2,求 (甲) 與 (乙) 兩種受力情 況下,總變形量之比 (甲 : 乙) 為何? ( EB=100GPa,Ec=150GPa)(A) 1:1 (B) 2:1 (C) 4:1 (D) 6:1
18. 如下圖所示,懸臂梁 (寬為b,深為h) 於 B 端受 P 力,其斷面之最大剪應力為何? (A) (B) (C) (D)
19. 如下圖所示,求該平面應力元素之最大剪應力為何? (A) 40 MPa (B) 50 MPa (C) 60 MPa (D) 70 MPa
20. 如下圖所示,一均質等向之桿件,熱膨脹係數為 α,彈性模數為 E,斷面積為 A,長度為 2 L ,兩端為鉸接,若桿件均勻升溫 ∆T,其桿件之內力為何? (A) E⋅A⋅2⋅L⋅α⋅∆T (壓力) (B) E⋅A⋅2⋅L⋅α⋅∆T (拉力) (C) E⋅A⋅α⋅∆T (壓力) (D) E⋅A⋅α⋅∆T (拉力)
22. 若 ρ 為梁某段之曲率半徑,M 為該段橫截面之彎矩,I 為該段橫截面對中立軸之慣性矩,E為材料之彈性模數,則下列關係式何者正確? (A) (B) (C) (D)
23. 如下圖所示,該斷面受 M 之彎矩,其最大拉應力之位置為何? (A) A 點 (B) B 點 (C) C 點 (D) D 點
24. 如下圖所示之構件,求 B 點之反力為何? (A) 130 kgf (B) 140 kgf (C) 150 kgf (D) 160 kgf
25. 如下圖所示之構件,求 bc 桿件之軸力為何? (A) 75 kN (受拉) (B) 75 kN (受壓) (C) 80 kN (受拉) (D) 80 kN (受壓)
28. 一物體重 W ,從離地面高為 h 的鐵塔自由落下,若不計空氣阻力,重力加速度為 g,當物體下降到離地面高為 h/2 時,其速度大小為下列何者? (A) (B) (C)gh (D)2gh
31. 力矩(Moment)的公式為下列何者? (A) 力✕力臂 (B) 力✕力偶 (C) 力臂÷力偶 (D) 力偶÷力臂
35. 有一簡支梁之長度為2L,承受均佈載重W,則其最大彎矩為下列何者? (A) (B) (C) (D)
37. 有一矩形懸臂梁之長度為 L,梁之寬度為 B,梁之深度為 H,若在梁之自由端施加一彎矩 M ,則此梁內之最大剪應力為下列何者? (A) 0 (B) (C) (D)
38. 在平面應力分析中,最大主應力σ1=70kgf/cm2,最小主應力σ2=-30kgf/cm2 ,則雙軸應力σx 及σy 之和為下列何者? (A) 20kgf/cm2 (B) 40kgf/cm2 (C) 50kgf/cm2 (D) 100kgf/cm2
42. 有一懸臂梁之自由端承受一彎矩 M 作用,梁之長度為 L,材料之彈性模數為 E,慣性矩為 I, 梁之自重忽略不計,下列敘述何者有誤? (A)自由端的撓角θ之大小為 (B)自由端的撓度δ之大小為 (C)最大彎矩之大小為 M (D)最大剪力之大小為
45. 有一等腰梯形,上底長為 a,下底長為 b,高為 h,則形心至上底的距離為下列何者? (A) (B) (C) (D)
50. 一般時鐘之秒針,其角速度為下列何者? (A)rad/sec(B)rad/sec (C) π rad/sec (D) 2π rad/sec