所屬科目:台電◆工程力學概要
4. 三軸應力中,若 其絕對最大剪應力值為何? (A) (B)(C) (D)
5. 平面應力如右圖所示,已知作用在與 x 軸逆時針成 60° 之應力 ,求在與 x 軸 逆時針成 150° 之應力 求在與 x 軸 逆時針成 150° 之應力 為多少?(A) 2050 (B) 2319 (C) 2919 (D) 3453
6. 如右圖所示,桿件段與段之長度為 L,斷面積為 A;段之長度為 2 L,斷面積為 2 A ,各段彈性模數均為 E,今於 a、d 兩點施加拉力 3 P;於 b、c 兩點施加壓力 2 P,求 b、c 兩 點之相對位移量為何? (A) (相互遠離) (B) (相互靠近) (C) (相互遠離) (D) (相互靠近)
7. 如右圖所示之簡支梁,其梁內最大撓曲正向應力 σ 為多少? (A) 0.025 (B) 2.5 (C) 25 (D) 2500
8. 一圓形剖面,面積為 ,今受剪力 360 N,求其剖面上之最大剪應力為多少 ? (A) 2 (B) 4 (C) 6 (D) 8
9. 兩物體 a 及 b,物體 a 自斷崖峭壁頂端自由落下,經過 1 秒後,物體 b 在同一個地點以 之速度垂直投下,求距峭壁頂端以下多遠距離 (m),物體 b 能追上物體 a? (A) 5.37 (B) 10.74 (C) 18.9 (D) 21.48
11. 已知平面力向量 A、B、C 可形成一封閉三角形,若以相同之平面力向量 A、B、C 作用於一 剛體如右圖所示,其剛體之運動情形為何? (A)平移且旋轉 (B)不平移但旋轉 (C)平移但不旋轉 (D)不平移且不旋轉
12. 如右圖所示,簡支梁受均變荷重,求支承 B 之反力為多少 kN? (A) 400 (B) 800 (C) 1200 (D) 1600
13. 如右圖所示,求斜線區域之形心位置 y 座標為何? (A) 1.14 r (B) 1.38 r (C) 1.52 r (D) 1.76 r
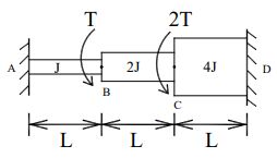
14. 如右圖所示之梁,其各段剪力彈性模數均為 G,求固定端 A 之反力值為何? (A) (B) (C) (D)
15. 如右圖所示,懸臂梁長度為 2 L,抗撓剛度為 2 EI,今有 3 P之力作用於懸臂梁中點 B, 求 B 點之垂直位移為何?(A)(B)(C)(D)
16. 如右圖所示,當懸臂梁於自由端受到拉力 P 作用時,其伸長量為何?(A)(B)(C)(D)
17. 如右圖所示,斷面寬 b,斷面高 h,彈性模數 E 之均勻桿件,受純彎矩 作用,求桿件彎曲 之曲率半徑為何?(A)(B)(C)(D)
18. 如右圖所示,正方形斷面之懸臂梁,於自由端受集中載重 P,假設此梁由理想彈塑性材料所 組成,若降伏應力 ,求 P 之極限值為多少 kN?(A) 0.5 (B) 5 (C) 50 (D) 5000
19. 如右圖所示,簡支梁於 段受均布彎矩,其梁內最大彎矩值為多少 t ∙ m? (A) 20 (B) 15 (C) 10 (D) 5
21. 右圖所示之桁架系統,其共有幾根零力桿件? (A) 0 (B) 1 (C) 2 (D) 3
22. 如右圖所示之支架,由 和 兩桿件鉸接於中點 D,桿件長度均為 2 m;連接 A 端與 C 端 之繩索長度為 1.2 m;支架上圓球半徑為 0.225 m,重量 W 為 12 N,求繩索所受之張 力為多少 N? (A) 6.5 (B) 8.25 (C) 12 (D) 16
23. 如右圖所示之構架,其 A、B、C 點均為鉸接,求 C 點之反力為多少 N?(A)(B)(C)(D)
24. 如右圖所示,A、B 兩物體質量分別為 20 kg 與 10 kg,繫於繞過滑輪之繩索兩端並靜置於斜 面上,已知兩物體與斜面之靜摩擦係數 µ = 0.25,若滑輪摩擦力不計,求兩物體開始滑動之 最小 θ 角為何? (A) tan−1 0.75 (B) tan−1 0.8 (C) tan−1 0.85 (D) tan−1 0.9
25. 如右圖所示,當溫度由 增至時,桿件 A、B 剛好接觸,求此時溫度變化量 ∆T 為何? (以 δ、α 及 L 表示,α 為溫度膨脹係數)(A)(B)(C)(D)
26. 如右圖,有一向左F=10 kg之作用力,試求該力對O點之力矩值為何? (A) 20 kg-m (B) 30 kg-m (C) 40 kg-m (D) 70 kg-m
29. 如右圖桁架,G點有ㄧ向下 F = 200 kgf 之力, 試求 CF 桿件受力為何? (A) 150 kgf (B) 200 kgf (C) 250 kgf (D) 300 kgf
30. 如右圖,ㄧ梯重 160 kgf,牆面與梯之摩擦力不計(光滑面),梯與地板之 靜摩擦係數為 0.2,今欲使梯開始向右運動,則 P力之最小值應為多少? (A) 28 kgf (B) 60 kgf (C) 92 kgf (D) 120 kgf
32. 如右圖所示之二力,試求對 O 點之力矩為何? (A) 2000 kg-m (↻) (B) 2000 kg-m (↺) (C) 4000 kg-m (↻) (D) 4000 kg-m (↺)
33. 如右圖所示之二力,試求對O點之力矩為何? (A) 1200 kg-m (↻) (B) 1200 kg-m (↺) (C) 10800 kg-m (↻) (D) 10800 kg-m (↺)
35. 如右圖,正圓錐體之重心 G 距底部中心點 C 之距離為何?(A)(B)(C)(D)
38. 如右圖之靜不定梁,F = 100 kg作用力於C點,試求B端之反力為何? (A) 30.25 kg (B) 31.25 kg (C) 32.25 kg (D) 33.25 kg
43. 如右圖,有三支直徑d = 1.2 cm之螺栓連接三鈑, 受 P =9000 kg作用,求每支螺栓之剪應力為何? (A) 398 kg/cm2 (B) 663 kg/cm2 (C) 1327 kg/cm2 (D) 1990 kg/cm2