所屬科目:台電◆工程力學概要
5. 一均勻銅棒長 5 m,熱膨脹係數為cm/cmԨ,欲使其伸長 0.3 cm,在未受外力之狀態下,須將銅棒從原 20℃均勻加熱至幾℃? (A) 40℃(B) 50℃(C) 60℃(D) 70℃
7. 下列敘述何者正確? (A)材料彎曲程度與彈性模數無關 (B)彈性模數越大,則材料越容易彎曲 (C)斷面慣性矩越大,則材料越容易彎曲 (D)梁之彎曲程度越大,則曲率 k 越大,彎曲半徑ρ越小
8. 如下圖所示之平面桁架構件,下列何者非屬零力桿件? (A) CG桿 (B) DH桿 (C) EF桿 (D) FG桿
12. 有關剛性係數 G、彈性係數 E、蒲松比 ν,三者之關係為何? (A)G= (B)G= (C)G= (D)G=
13. 如下圖所示之桁架,於 C 點施加一 32 tf 之力,試求 DE 桿件內力之絕對值為何? (A) 16 tf (B) 20 tf (C) 32 tf (D) 40 tf
14. 如下圖所示之桁架,試求 BC 桿件內力之絕對值為何? (A) 100 kgf (B) 120 kgf (C) 200 kgf (D) 240 kgf
15. 如下圖所示,於 B 點受一水平力 P,試求 C 點之反力為何? (A)1/2P(B)1/√2P (C)√2P(D) 2P
16. 如下圖所示之桁架,試求 BC 桿件內力之絕對值為何? (A) 20 kgf (B) 30 kgf (C) 40 kgf (D) 50 kgf
17. 如下圖所示,有一長度 L 之懸臂梁於自由端受集中荷重 P 作用,產生撓度 δ,如欲使自由端撓度變為 9δ,則梁長須變為 L 之多少倍? (A)(B)(C)(D)
18. 如下圖所示之鋼板(未依尺寸繪圖,僅供示意),厚度 1 cm ,彈性係數為 2x106 kg/cm2 ,若在板端受 8 tf 之拉力,試求自由端伸長量為何? (A) 6 mm (B) 8 mm (C) 10 mm (D) 12 mm
19. 如下圖所示之截面積 A,彈性係數 E 之均質軸力桿件, AB 兩端固定並於距離頂部 30 cm處施加 40 tf 之載重,試 求 A 點反力與 B 點反力之比值()為何? (A) 1:1 (B) 1:3 (C) 2:3 (D) 3:1
20. 如下圖所示,試求 A 點之垂直反力為何? (A) 3 tf (B) 6 tf (C) 9 tf (D) 12 tf
21. 如下圖所示之平面應力元素,試求最大剪應力為何? (A) 15 ksi (B) 30 ksi (C) 45 ksi (D) 60 ksi
22. 如下圖所示之簡支梁,承受正中央集中載重 P = 30 kgf 及均佈載重 w = 8 kgf/m,試求該梁所承受最大剪力為何? (A) 35 kgf (B) 38 kgf (C) 55 kgf (D) 70 kgf
23. 如下圖所示之簡支梁,承受均佈載重 W,其剪力圖型式為下列何者? (A)(B)(C) (D)
26. 如下圖所示之固定支承,因支承反力及方向尚未明確,故一般先行假設其反力數量有幾個? (A) 1個 (B) 2個 (C) 3個 (D) 4個
32. 在 x-y-z 直角坐標系於 x軸、y軸及 z軸之正方向,分別作用一大小為 F 之力,且皆作用於座標原點,試求其合力大小為何? (A) (B) F (C) (D)
34. 如下圖所示,一物體重 80 N置於水平地面,受一拉力 P = 26 N,施力方向如圖所示。若該物體與地面之靜摩擦係數為 0.3,動摩擦係數為 0.2,試求接觸面上之摩擦力大小為何?(A) 14 N (B) 16 N (C) 21 N (D) 24 N
35. 如下圖所示,C 為四分之一圓面積之形心,圓之半徑為 r,試求為 下列何者? (A)(B)(C)(D)
36. 如下圖所示之工型斷面,已知水平形心軸之位置距離底端 7 cm,試求下翼版之寬度 b 為何? (A) 7 cm (B) 8 cm (C) 10 cm (D) 12 cm
37. 如下圖所示,一中空圓形斷面,試求陰影面積慣性矩為何? (A)(B)(C)(D)
39. 如下圖所示之工型梁斷面,斷面對中立軸之慣性矩為 I,彈性係數為 E, 該斷面受一彎矩 M 作用,斷面之翼版與腹版交接處 a 點(距離中性軸 X) 之彎曲應力大小為何? (A)(B)(C)(D)
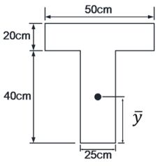
40. 如下圖所示,試求 T 型斷面形心至底端之距離為何? (A) 25 cm (B) 30 cm (C) 35 cm (D) 40 cm
43. 一矩形梁受彎矩 M,其斷面對中立軸之慣性矩為 I,梁高為 2y ,材料之彈性模數為 E,則其 曲率 k (Curvature) 為下列何者? (A)(B)(C)(D)
46. 如下圖所示,一懸臂梁受一均佈載重及一集中載重,試求固定端彎矩反力之絕對值為何? (A) 128 kgf-m (B) 228 kgf-m (C) 250 kgf-m (D) 300 kgf-m
48. 半徑 R之圓形,其面積對圓心之極慣性矩為下列何者? (A)(B)(C)(D)