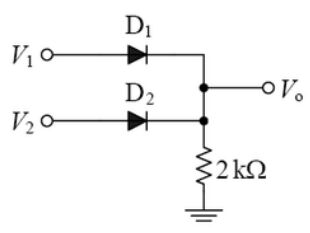
50. 下圖所示二極體電路為何種邏輯閘的功能?
(A) AND 閘
(B) NOT 閘
(C) OR 閘
(D) NXOR 閘
答案:登入後查看
統計: A(0), B(0), C(4), D(0), E(0) #3822770
統計: A(0), B(0), C(4), D(0), E(0) #3822770