阿摩線上測驗
登入
首頁
>
國營事業◆1.應用力學 2.材料力學
> 101年 - 101 經濟部所屬事業機構_新進職員甄試_土木、機械、航空結構:1.應用力學 2.材料力學#28601
101年 - 101 經濟部所屬事業機構_新進職員甄試_土木、機械、航空結構:1.應用力學 2.材料力學#28601
科目:
國營事業◆1.應用力學 2.材料力學 |
年份:
101年 |
選擇題數:
60 |
申論題數:
0
試卷資訊
所屬科目:
國營事業◆1.應用力學 2.材料力學
選擇題 (60)
1.下列敘述何者有誤? (A)牛頓是力的單位 (B)達因(dyne)是力的單位 (C)焦耳是功率單位 (D)帕斯卡(Pa)是壓力單位
2.下列何者不具方向性? (A)力 (B)位移 (C)加速度 (D)速率
3.【圖1】兩拉力T;,T2對皮帶輪中心點產生的力矩為何? (A) 600 fl-lb (B) 400 ft-lb (C) 1000 ft-lb (D)800 ft-lb
4.【圖2】均質連桿長10ft,重100Ib,力F作用於連桿A點 於0點的力矩為零,力F為何? (A) 15.35 lb (B) 25.35 lb (C) 35.35 lb (D)45.35 lb
5.有關摩擦力方面,下列敍述何者有誤? (A)接觸面正壓力愈大,摩擦阻力愈大 (B)摩擦力方向與運動方向相反 (C)接觸面積愈小,摩擦阻力愈小 (D)動摩擦係數小於靜摩擦係數
6.【圖3】重300 lb球體藉由彈簧水平支擇靜止於傾斜平滑面,彈簧力F為? (A) 225 lb (B) 300 lb (C) 350 lb (D)375 lb
7.【圖4】100 lb之方塊放置於摩擦力為0.3之傾斜面上,但受物體W 牽制,假設纜線與皮帶輪之接觸是平滑的狀況,則W至少多重才能 將方塊由斜面往上拉升? (A) 24 lb (B) 36 lb (C) 60 lb (D)84 lb
8.—物體放置於平板上,將一端慢慢抬起,當上升至60°傾斜角時,物體開始滑動,此物體與 平板之靜摩擦係數為何? (A)
(B)
(C)
(D)
9下述四機構那項為不全約束(not complete constraint)? (A)
(B)
(C)
(D)
10.下列敘述何者有誤? (A)空間中之剛體問題可列出六個獨立之平衡方程式 (B)空間中之質點問題可列出三個獨立之平衡方程式 (C)平面上之剛體問題可列出二個獨立之平衡方程式 (D)平面上之質點問題可列出二個獨立之平衡方程式
11.在虛功原理中,由構件位能(V)之數學式,也可研判構件之穩定與否,下列敘述何者最適合? (A)
>0則系統穩定平衡 (B)
<0則系統不穩定平衡 (C)
=0則系統中性平衡 (D)以上皆是
12.下列敘述何者為牛頓第二定律? (A)物體不受外力作用,則靜者怪靜,動者怪動,作等速直線運動 (B)物體受外力作用,必產生反作用,作用力與反作用力大小相等、方向相反且在同一直線上 (C)物體受外力作用時,沿力之方向必產生一加速度,其大小與作用力成正比,與物體之質量 成反比 (D)物體動量之變化對時間之比,與作用力成反比且其變化之發生方向與作用力相同
13.【圖5】為一重量W擺錘在一垂直面上作輕微之擺動,其擺動頻率(cycle/sec)為: (A)
(B)
(C)
(D)
14.【圖6】質量為m之物體由4條彈簧在平衡中撐住, v 假設在不影響另一軸向的彈簀下,作動單一軸向之彈 簧,此時物體的作動方程式為何? (A) m
= -(K
3
+K
4
)X (B) m
=-(K
1
+K
2
)X (C) m
= (K
3
K
4
)X (D) m
= (K
1
K
2
)X
15.【圖7】簡易擺錘重5 lb,0 = 45°時擺錘之速度為8 ft/sec, 在此瞬間其纜線之拉力為何? (A) 4.9 lb (B) 5.9 lb(C) 6.9 lb (D)7.9 lb
16.有一物重為W,在半徑為r之圓周上作等速運動,角速度為
,則此物體之向心力為何? (A)Wr
(B)
(C)
(D)
17.下列哪項不是功的單位? g g g (A)馬力 (B)焦耳 (C) Kg-m (D)ft-lb
18.下列敘述何者有誤? (A)線動量為物體之質量與其速度之乘積 (B)角動量為物體之轉動慣量與角速度之乘積 (C)物體所受衝量之大小等於動量 2 (D)—運動體其質量為m,動量為P,則動能可表示為
19.一平板車重200 lb,在一水平之軌道上以12 ft/sec速度前進,有一重100 lb之箱體,垂直掉在 此平板車上如【圖8】,在不考慮摩擦損失下,平板車和箱體之前進速度為何? (A) 5 ft/sec (B) 6 ft/sec (C) 7 ft/sec (D)8 ft/sec
20.【圖9】為160磅重之工人,坐在固定長椅上,在他以60 lb的拉力 作用繩索時,則上升之加速度為何? (A) 9.8
(B) 8.8
(C) 7.8
D)6.8
21.【圖10】為彈簧圈中心受壓縮力F的情況,求彈簀鋼絲承受扭轉剪力為何? D
w
:彈簧鋼絲直徑 D
m
:圈形彈簧平均直徑 (A)
(B)
(C)
(D)
22.【圖11】所示為一平板的受力情形,下列敍述何者有誤? (A)槽愈深,應力愈集中 (B)槽所開的角度愈大,應力愈集中 (C)槽底的圓半徑愈小,應力愈集中 (D)槽所開的角度愈小,應力愈集中
23.試決定下列哪項不是靜不定梁? ” (A)
(B)
(C)
(D)
24.—鎂金屬製之球體壓力容器厚0.10吋,平均直徑為D=250吋,允許抗拉應力為12500 psi, 此容器之安全内壓為何? (A) 10 psi (B) 20 psi (C) 30 psi (D)25 psi
25.二立式等高之鋼管製容器,直徑分別為D1及D
2
,D1=2D2
在最大周向應力相 等的條件下,其管厚比t
1
: t
2
為何? (A) 1/4 (B)4 (C)2 (D)1/2
26•板件正應力及剪應力為σ x =6000 psi σ
Y
=0
=-4000 psi ’其最大剪應力τ
max
為何? (A) 3000 psi (B) 3500 psi (C) 4000 psi (D)5000 psi
27.【圖12】薄壁鋼瓶平均直徑為D=2吋,厚度t=0.025吋, 兩頭密封,内裝氣體,壓力為500psi,兩端軸向外力P為多 少時,可使鋼瓶應力為純剪應力? (A) 4710 lb (B) 4110 lb (C) 3510 lb (D)37101b
28.—板件受外力作用後,其三方向之應變均為s,其體積應變為何? (A) ε
3
(B) ε
2
(C) 2ε (D)3ε
29.長度為L,直徑為D的均質桿件,受一轴向拉力,長度增加δ,直徑減少d,則此桿件之蒲松 比 v(poisson’s ratio)為何? (A)
(B)
(C)
(D)
30.下列敘述何者有誤? (A)剪力彈性係數G與幾何形狀無關 (B)彈性係數E與材質無關 (C)一般金屬之蒲松比介於0.25〜0.5之間 (D)應變ε無單位
31.【圖13】BC鋼線直徑d=l/8吋,AB木支柱斷面為1平方吋, 垂直力P=400 lb,B點之橫向位移為何?(鋼線彈性係數 Es =30xl0
6
psi,木材彈性係數Ew = 1.5xl0
6
psi) (A) 0.029 in (B) 0.039 in(C) 0.047 in (D)0.057 in
32.—般情況,材料受拉伸或壓縮,彈性係數應力(δ)/應變(ε),此公式適用之範圍為何? (A)彈性限度内 (B)屈服點内 (C)極限強度内 (D)破壞應力内
33.長2m,外徑273 mm,壁厚12.5 mm的鋼管,承載中心軸向荷重1.2MN,巳知彈性係數 E=2000 GPa,蒲松比v=0.25,壁厚變化量為何? (A) -1.59xl0
-6
m (B) -1.79x10
-6
m(C) -2.59xl0
-6
m (D)-2.79x10
-6
m
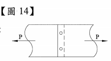
34.【圖14】板厚t,鉚釘直徑d,拉力P,每根鉚釘所受之平均剪應力為: (A)
(B)
(C)
(d)
35.有一受拉力之角鐵
,兩邊熔接於鋼板,參考【圖15】 ,受直接剪力作用P = 1035001b,熔接厚度為1/2in,P作用力通過 角鐵之重心(centroid) a
1
=l.68 in, a
2
=4.32 in,剪應力為 13600 psi, 焊喉厚度為0.353 in,則L
1
熔接長度為: (A) 6.05 in (B) 10.5 in (C) 15.5 in (D)20.5 in
36.—鋼製連接軸由300馬力馬達傳動,轉速為3600 rpm,允許剪應力 為6000 psi,此連接軸之直徑為何?(提示:T
in=ib) n (A) 1.65 in (B) 1.85 in (C) 0.65 in (D)0.85 in
37.邊長為
之正方形,其對X軸之慣性矩為:(設X,Y為正方形之形心轴) (A)
(B)
(C)
(D)
38.由靜力學平衡三條件
,無法求得梁支撐之反作用力的為: (A)懸臂梁 (B)簡支梁 (C)靜定梁 (D)固定梁
39.【圖16】簡支梁中,在4000 lb荷重左邊斷面之剪力V為: (A) 1625 lb (B) 1725 lb(C) 2025 lb (D)2625 lb
40•通過【圖17】斷面中心軸的最大剪應力為:(假設在此斷面的剪力為V) (A)
(B)
(C)
(D)
41.【圖18】圓盤重W,經由水平拉力T克服高為h的方型障礙物, h=d/4,d為圓盤的直徑,則拉力T : (A)W (B)
(C)
(D)
42.【圖19】有一桁架承受平行垂直外力,假設在0點及 A點之反作用力均受限於5000 lb,則W之最大值為: (A) 800 lb (B) 900 lb (C) 10001b (D)11001b
43.【圖20】連桿OA長度
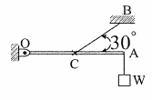
,不考慮重量,以鉸接(Hinge) 方式支撐於O點,另一端有荷重W,且以BC纜線連接 於OA之中心點C,支撐此連桿,則BC纜線之拉力為: (A) 2W (B) 3W (C) 4W (D)5W
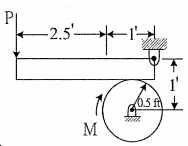
44.【圖21】100 ft-lb扭矩M作用於連桿,刹車系統與連桿之摩擦係數 為0.3,在不考慮連桿之重量下,作動連桿停車之作用力P為: (A) 919 lb (B) 1219 lb (C) 1619 lb (D)1919 lb
45.【圖22】電梯以加速度a拉升,電梯内有一體重80.5 lb 小孩站在磅秤上重90 lb,而整座電梯含乘客共重2415 lh ,在電梯上升中,電梯纜線的張力T為: (A) 2100 lb (B) 2300 lb(C) 2500 lb (D)2700 lb
46.【圖23】A方塊和B方塊在一斜面上向下滑動,W
A
= 151b,W
B
=201b, B方塊和滑動面摩擦係數為0.3,假設A方塊和滑動面間很平滑,則在 滑動中A作用於B方塊作用力為: (A) 1.82 lb (B) 1.52 lb (C) 1.42 lb (D)1.32 lb
47.【圖24】有一小球在弧形平滑執道上向下滑動,在球滑到弧形 軌道頂點時不脫離軌道之最小高度H為: (A) 1.5 ft (B) 2.5 ft (C) 3.5 ft (D)4.5 ft
48.【圖25】有一球體重lib藉著纜線在半徑為3呎之垂直圓型路 徑上逐漸加速飛轉,纜線另一端固定在圓型路徑中心,纜線斷 裂之強度為71b,在纜線斷裂時,此球體之速度v為: (A) 12 ft/sec (B) 18 ft/sec(C) 20 ft/sec (D)24 ft/sec
49.有一靜止物體因殘留應力之關係突然炸成兩塊,重量分別為8 lb及4 lb,且以相對速度75 ft/sec飛離,此兩塊物體之速度為何?(不考慮空氣阻力) (A) 20 ft/sec, -40 ft/sec (B) 25 ft/sec, -50 ft/sec (C) 30 ft/sec, -60 ft/sec (D)35 ft/sec, -70 ft/sec
50.【圖26】平板車重量W在沒有阻力下以v
0
。速度順著一水平軌道前進,平板車前端有一重量 為w的人以相對平板車之速度u跑向後頭,縱身跳下,其跳離後平板車之速度為: (A)
(B)
(C)
(D)
51.【圖27】是常見的曲柄板手尺寸和受力狀況的圖形,板手末端固定,尖端受到1000牛頓向下 力,E=207 GPa,則A點位移為: (A) 1.4xl0
-4
m (B) 2.4x10
—4
m (C)3.4xl0
-4
m (D)4.4x10
—4
m
52.承第51題,B點位移為: (A) 7x10
-4
m (B)8xl0
-4
m (C)9xl0
-4
m (D)lOxlO
-4
m
53.承第51題,C點固定端最大彎曲正向應力δ
max
)為: (A) 105 MPa (B) 115 MPa(C) 125 MPa (D)135 MPa
54.承第51題,AC轴最大扭轉剪應力為: (A) 32.9 MPa (B) 35.9 MPa(C) 37.9 MPa (D)39.9 MPa
55.【圖28】長度同為L之桿和套管之組合體,兩者之 截面積及彈性係數分別為A
1
,E
1
&A
2
,E
2
,當盲 板受水平負荷P作用時,桿和套管之變形量為: (A)
(B)
(C)
(D)
56.三個拉力桿件如【圖29】,同樣承受拉力P,且應力均勻分佈 於斷面,比較三拉力桿件的應變能,何者為正確? (A)—樣大 (B) (a)桿件最大 (C) (b)桿件最大 (D) (c)桿件最大
57.承第56題,求(c)與(a)情況應變能之比例為何? (A)l 倍 (B)4 倍 (C)2 倍 (D)0.2 倍
58.【圖30】所示為一階梯形桿件,其彈性係數E,截面積分別為A
1,
A
2
,A
3
,請問ab段,bc段 ,cd段之應力分別為: (A) 4P/A
1
, P/A
2
, -P/A
3
(B) 3P/A
1
,P/A
2
, -P/A
3
(C) 4P/A
1
,2P/A
2
,-P/A
3
(D)3P/A
1
, 2P/A
2
, -P/A
3
59.承第58題,全桿的總伸長量(δ)為: (A)
(B)
(C)
(D)
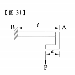
60.【圖31】懸臂梁一端嵌入牆中,另一端固定一托架, 請選出AB部分正確的撓矩圖
。 (A)
(B)
(C)
(D)
申論題 (0)
相關試卷
114年 - 114 經濟部所屬事業機構_新進職員甄試試題_土木、機械:1 .應用力學 2 .材料力學#136984
114年 · #136984
113年 - 113 經濟部所屬事業機構_新進職員甄試_土木、機械:1.應用力學 2.材料力學#125720
113年 · #125720
112年 - 112 經濟部所屬事業機構_新進職員甄試_土木、機械:1.應用力學 2.材料力學#116964
112年 · #116964
111年 - 111 經濟部所屬事業機構_新進職員甄試_土木、機械:1.應用力學 2.材料力學#111360
111年 · #111360
110年 - 110 經濟部所屬事業機構_新進職員甄試_土木、機械:1.應用力學 2.材料力學#103676
110年 · #103676
109年 - 109 經濟部所屬事業機構_新進職員甄試_土木、機械:1.應用力學 2.材料力學#92866
109年 · #92866
108年 - 108 經濟部所屬事業機構_新進職員甄試_土木、機械:1.應用力學 2.材料力學#80809
108年 · #80809
107年 - 107 經濟部所屬事業機構_新進職員甄試_土木、機械:1.應用力學 2.材料力學#76260
107年 · #76260
106年 - 106 經濟部所屬事業機構_新進職員甄試_土木、機械:1.應用力學 2.材料力學(重複)#81162
106年 · #81162
106年 - 106 經濟部所屬事業機構_新進職員甄試_土木、機械:1.應用力學#71725
106年 · #71725