所屬科目:機器人學(初階)
13. 馬達透過 10:1 的減速機構連結到機器人連桿,此連桿的轉動慣量反射到馬達端會 (A)放大 10 倍 (B)縮小為倍 (C)放大 100 倍 (D)縮小為 倍。
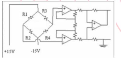
45. 壓阻式感測器是壓力感測器的其中一種,主要原理如下,當材料的電阻值在材料受到應力作用時會隨之改變,這種現象普遍地存 在各種材料中,其中以某些半導體的效應特別顯著。目前製造矽壓力感測元件最常用的方法是利用擴散法,將硼嵌入單晶矽晶格 中形成 p-n 接面,此 p-n 接面即為壓阻元件,可以用來感測矽晶隔膜上的壓力變化。如圖所示,其中電阻 R1 即為矽壓力感測元件, 而其電阻排列形式為下列何種電路? (A)惠斯登電橋電路 (B)鋒塔納電路 (C)凱爾文電路 (D)維恩電路。
46. 在機器人的組成機構中,有各式各樣的傳動裝置,請問下列機構對應的名稱哪個是正確的? (A)曲柄滑塊機構 (B)剛性聯軸器 (C)圓柱凸輪機構 (D)棘輪機構。
47. 如圖所示之制動器,鼓輪直徑 48cm,轉軸扭矩為 24N-m,摩擦係數為 0.2,當鼓輪「逆時針」旋轉時,所需之制動力為(長度單位: cm) (A)120 (B)104 (C)96 (D)150 N。
48. 在機器人夾爪的設計上,運用於夾爪觸覺感知的壓阻式感測器也愈來愈普遍。請問下列何者為壓阻式感測器? (A) (B) (C) (D) 。
49. 圖中所示為機器人上常用的諧波減速機(Harmonic drive)的概念圖,具有三個元件。在一般減速的使用方式中,哪一個元件為和 致動器相連的輸入端? (A)外側元件 (B)最內側元件 (C)中間元件 (D)都可以,視減速狀況而定。
50. 下列哪一個彈簧與名字的配合是正確的? (A) 螺旋壓縮彈簧 (B) 螺旋拉伸彈簧 (C)螺旋扭力彈簧 (D) 螺旋彈簧。