阿摩線上測驗
登入
首頁
>
自動控制學
>
103年 - 103年地方三等-三等自動控制#42903
> 申論題
申論題
試卷:103年 - 103年地方三等-三等自動控制#42903
科目:自動控制學
年份:103年
排序:0
申論題資訊
試卷:
103年 - 103年地方三等-三等自動控制#42903
科目:
自動控制學
年份:
103年
排序:
0
題組內容
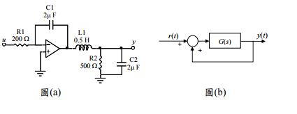
二、考慮下列電路如圖(a)所示,兩個電容之電容值均為 2μFarad(法拉):
申論題內容
(三)說明為何此系統回受訊號採證回授(5分)