阿摩線上測驗
登入
首頁
>
靜力學與材料力學
>
102年 - 102 地方政府特種考試_三等_土木工程:靜力學與材料力學#31412
> 申論題
題組內容
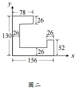
二、考慮梁斷面如圖二所示(圖內長度單位為 mm),試求:
⑴斷面形心之坐標。(15 分)
相關申論題
⑴外力均佈載重 q 作用下,各支撐的反力。(15 分)
#69511
⑵剛梁 ABC 的剪力圖。(5 分)
#69512
⑵斷面慣性矩 Ix 。(10 分)
#69514
⑴ a、c 兩端的反力。(15 分)
#69515
⑵ b 點的位移。(10 分)
#69516
⑴試求 q1之大小,使得 q = q1時,懸臂梁 ABC 正好接觸 C 點下方的滾支撐。(15 分)
#69517
⑵承題⑴,若 q = 2q1,試求此時懸臂梁在固定端 A 點處的反力。(15 分)
#69518
四、下圖有一 ABC 梁 A 點為鉸支撐,B 點為滾支撐。梁於 BC 段受均佈載重 q,試求 A 點及 B 點之反力(請註明作用之方向)、A 點之轉角(請註明 轉角之方向)、C 點之轉角及位移(請註明轉角及位移之方向)。 (25 分)
#504540
三、下圖之構造系統中 A 與 B 點為鉸支撐(hinge),其它接點均為栓接(pin)。 圖中分佈載重 w(x)之單位為 kN/m,且 w(x) = 400x (0 ≤ x ≤ 3) 。試計算 A 點與 B 點支承處之水平與垂直反力(請標示力的大小與方向) ,以及 EF 桿與 CD 桿之內力(請註明為壓力或張力)。 (25 分)
#504539
二、有一桁架如下圖,B 點為鉸支撐,D 點為與水平呈 45°之滾支撐。E 點受 一集中水平力 P。試求 B 點及 D 點之反力及方向、各桿件軸力(請重畫該桁架,將軸力寫在各桿件旁,張力為正,壓力為負)。 (25 分)
#504538
相關試卷
112年 - 112 地方政府特種考試_三等_土木工程:靜力學與材料力學#118195
112年 · #118195
111年 - 111 地方政府特種考試_三等_土木工程:靜力學與材料力學#112433
111年 · #112433
110年 - 110 地方政府特種考試_三等_土木工程:靜力學與材料力學#104870
110年 · #104870
109年 - 109 地方政府特種考試_三等_土木工程:靜力學與材料力學#94925
109年 · #94925
108年 - 108 地方政府特種考試_三等_土木工程:靜力學與材料力學#81243
108年 · #81243
106年 - 106 地方政府特種考試_三等_土木工程:靜力學與材料力學#66994
106年 · #66994
104年 - 104 地方政府特種考試_三等_土木工程:靜力學與材料力學#35153
104年 · #35153
103年 - 103 地方政府特種考試_三等_土木工程:靜力學與材料力學#25166
103年 · #25166
102年 - 102 地方政府特種考試_三等_土木工程:靜力學與材料力學#31412
102年 · #31412
101年 - 101 地方政府特種考試_三等_土木工程:靜力學與材料力學#26369
101年 · #26369